单元
视频
音频
音画
图文
点读
考试
BBS
按序号
完成度高
完成度低
最近更新
最新
最热
最佳
-
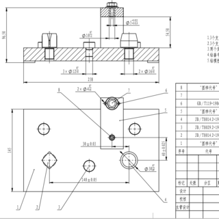
1830项目三 任务6:钻床夹具装配工程图绘制项目三 任务6:钻床夹具装配工程图绘制00:07:17 -
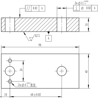
2540项目三 任务5:夹具体工程图绘制项目三 任务5:夹具体工程图绘制00:11:17 -
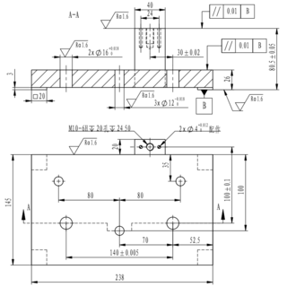
1100项目三 任务4:钻模板工程图绘制项目三 任务4:钻模板工程图绘制00:05:46 -
1350项目三 任务3:钻床夹具装配项目三 任务3:钻床夹具装配00:05:45 -
2220项目三 任务2:夹具体建模项目三 任务2:夹具体建模00:06:23 -
1280项目三 任务1:钻模板建模项目三 任务1:钻模板建模00:02:53 -
1380项目二 任务8:铣床夹具装配工程图绘制项目二 任务8:铣床夹具装配工程图绘制00:08:12 -
1460项目二 任务7:夹具体工程图绘制项目二 任务7:夹具体工程图绘制00:11:17
更多
